网站首页
关于我们
产品中心
应用领域
新闻资讯
联系我们
网站首页
关于我们
产品中心
应用领域
新闻资讯
联系我们
首页
产品中心
欢迎咨询
13757773215
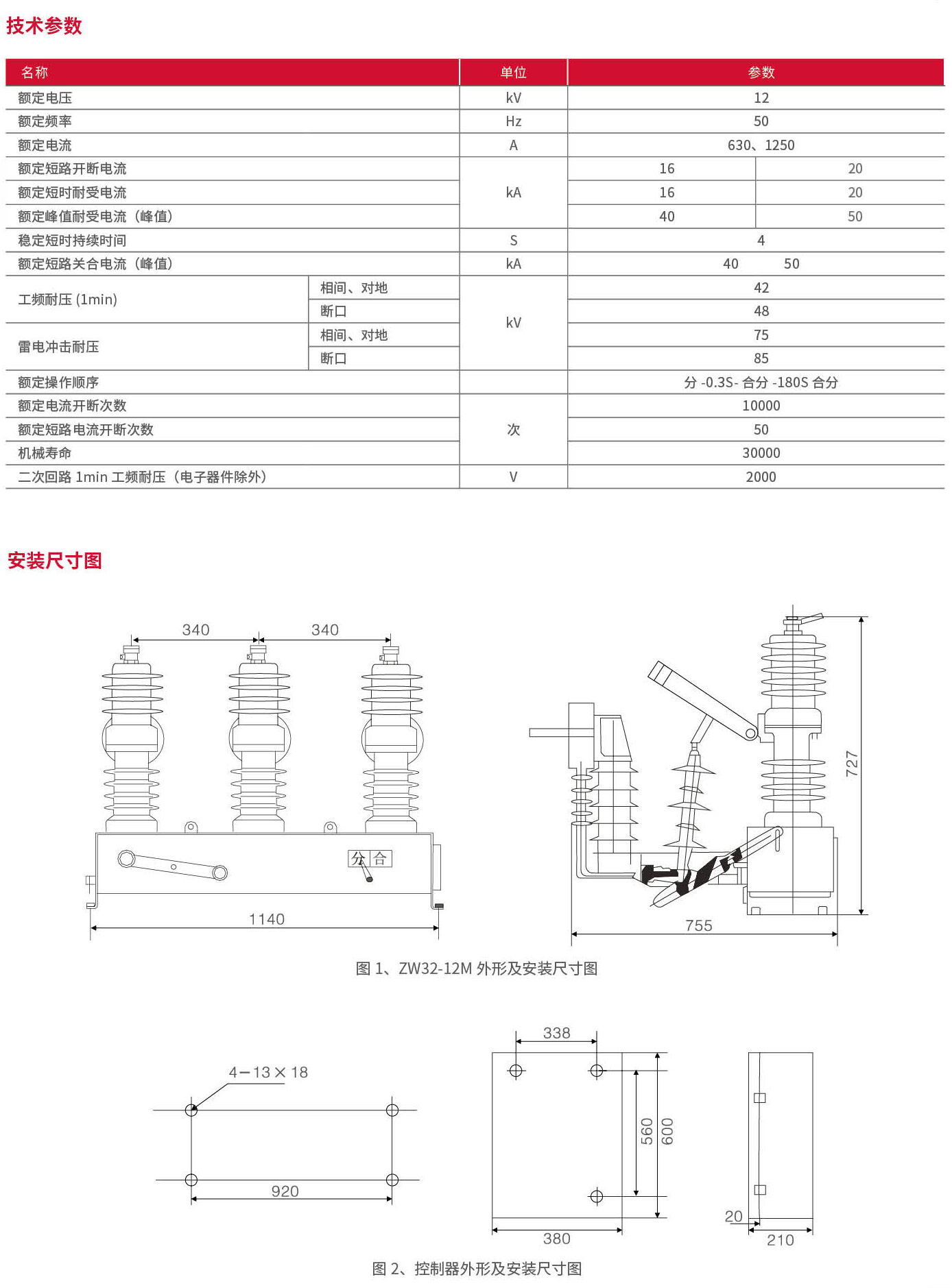
ZW32-12M智能型永磁真空断路器
产品简介